SM type bond connects double type elastic diaphragm coupling

Home / Products / Flexible Couplings with Metal Elastic Elements / SM type bond connects double type elastic diaphragm coupling
SM type bond connects double type elastic diaphragm coupling

SM type bond connects double type elastic diaphragm coupling

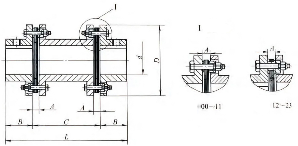
The SM type bond connects double type elastic diaphragm coupling is a type of flexible coupling used to connect two shafts, typically for transmitting torque while allowing for a degree of misalignment. This particular coupling features a double flexible diaphragm design, which provides enhanced flexibility and torsional stiffness, making it suitable for applications with medium to high torque requirements and moderate levels of misalignment.

The SM type bond connects double type elastic diaphragm coupling is a device used to connect two rotating axes. It can transmit torsional force and compensate for some deviation between the axes. This kind of coupling usually consists of elastic film sheets on both sides and connecting parts in the middle, which can be found in most industrial machinery and equipment. Dual elastic diaphragm couplings can reduce vibration and impact while providing good torsional stiffness and position accuracy. They are suitable for many industrial applications such as the connection of equipment such as pumps, fans, compressors, etc.

  • SM type bond connects double type elastic diaphragm coupling
Product Parameters
Send Message
Zhongye Heavy Industry  Technology (Zhenjiang) Co., Ltd.
Zhongye Heavy Industry Technology (Zhenjiang) Co., Ltd.

Zhongye Heavy Industry Technology (Zhenjiang) Co., Ltd. is located in a well-known ancient city, Zhenjiang.     We are an enterprise integrating R & D, manufacturing, and sales.     Our products are widely used in metallurgical equipment, mining equipment, water equipment, lifting equipment, paper equipment, port equipment and other industries.
Our main products are toothed coupling, elastic sleeve column pin coupling, elastic column pin coupling, gear coupling with elastic pin, a universal coupling, tire coupling,  jaw coupling, star coupling, diaphragm coupling, drum coupling and grid coupling, the Oldham coupling, flange coupling, clip shell coupling, GL type roller chain coupling and a safety coupling, and so on.     Our company also undertakes a variety of non - standard coupling designs and manufacturing.
New workshop covers an area of about 16463.52 m².    heavy workshop 5,500 M2, Precision workshop 4,600 m² , office building and the gymnasium 2000 M2, Dinning hall 500m² , Warehouse 1000 m², Roads, greening, parking areas 3563 M2.

View more
News & Events
NEWS UPDATE
  • 2026.01.09
    End face gear universal joint fork head can achieve dual improvements in capacity and quality
    The end face gear universal joint delivered by our company recently. This is a key transmission component. The core realizes torque transmission through end face gears meshing. It features convenient installation and disassembly, stable transmission, large torque capacity, and can compensate for the angular offset between two axes. It is widely applicable to the transmission systems of light and heavy load equipment such as new energy vehicles, high-end construction machinery, and rolling mills.  For inquiries, please contact us via Mobile/whatsapp/Wechat: 86 15106109009
  • 2025.12.27
    The combination of clutches and couplings
    Explore the unique combination of clutches and couplings. This pairing offers enhanced functionality in power - transmission systems. Ideal for various industrial applications, it ensures smooth operation, efficient torque transfer, and reliable performance. Discover how the synergy between clutches and couplings can optimize your machinery's functionality and boost productivity. 
  • 2025.12.19
    The core advantage of using forgings instead of castings for universal joint yokes
    The core advantage of using forgings instead of castings for universal joint yokes lies in their denser internal structure and mechanical properties, which can better adapt to the complex stress conditions when the universal joint transmits torque. Stronger Mechanical Properties Forging refines metal grains through plastic deformation and aligns the grain flow with the direction of stress. As a result, forgings have much higher tensile strength, yield strength, and impact toughness than castings, and are less prone to fracture under alternating loads. Fewer Internal Defects Castings are susceptible to defects such as blowholes, shrinkage cavities, and sand inclusions, while forging can eliminate problems like looseness and porosity in raw metal materials, improving the structural integrity and reliability of the yoke. Better Fatigue Resistance During operation, universal joints undergo repeated angular swings and torque impacts. The uniform structure of forgings gives them significantly longer fatigue life than castings, thereby extending the overall service life of the universal joint. The universal shaft forging fork head produced by our company has a performance. If you are interested, please feel free to contact us. You can reach us via WhatsApp at 86 15106109009 or email at [email protected].
  • 2025.12.12
    What is the general tolerance of the motor shaft and the coupling
    The tolerances of the motor shaft and the coupling are generally controlled within the range of 0.01mm to 0.05mm, which is within the normal range. The specific tolerance values are influenced by the manufacturing accuracy of the parts and the assembly technology, as well as factors such as the thermal expansion and contraction of the shaft material during rotation. The motor shaft and the coupling are crucial connecting components in mechanical equipment. The tolerance fit between them directly affects the operating efficiency and service life of the equipment. So, what are the typical tolerances for the motor shaft and the coupling? I. General Range of Tolerance The tolerance between the motor shaft and the coupling is mainly influenced by the manufacturing accuracy of the parts and the assembly technique. In general, a tolerance within the range of 0.01mm to 0.05mm is considered a normal range. This range ensures a tight fit between the shaft and the coupling, reduces wear, and improves the transmission efficiency. II. Factors Affecting ToleranceII. Factors Affecting Tolerance 1. Manufacturing accuracy of components: During the manufacturing process of the motor shaft and the coupling, the dimensional accuracy will be influenced by various factors such as the processing equipment, manufacturing methods, and material properties. The higher the manufacturing accuracy, the smaller the tolerance range and the higher the mating accuracy. 2. Assembly technology: During the assembly process, ensuring the correct mating between the shaft and the coupling is also crucial. Appropriate assembly techniques and methods can ensure that the tolerance remains within control, thereby improving the overall performance of the equipment. III. Common Tolerance Standards for Matching In practical applications, the matching tolerance between the motor shaft and the coupling is also selected based on specific requirements and usage conditions. For example, common tolerance standards include H7/d6, H7/D7, and H7/C9, etc. These standards are respectively applicable to different precision and rotational speed requirements of coupling connections, ensuring that the interference fit or clearance fit between the shaft and the hole meets the design requirements. IV. Importance of Correctly Selecting Tolerance Correctly selecting the matching tolerance between the motor shaft and the coupling is of great significance for improving the accuracy, stability, and lifespan of the equipment. An overly tight fit may cause assembly difficulties, increased wear, and even shaft breakage; while an overly loose fit may result in uneven torque transmission, increased vibration, and decreased sealing performance. Therefore, when choosing the tolerance, various factors should be considered comprehensively to ensure the optimal performance of the equipment.
  • 2025.11.28
    Advantages of star-type couplings
    The application scope of star-type coupling is very extensive. Before using it, we definitely need to know the advantages of star-type coupling so that we can apply it better. If you are interested in this topic, then let's take a look together. We hope it can be helpful to some relevant people.  Star-type couplings are widely used in various industries, so their application scope is undoubtedly extensive. In fact, star-type couplings are mainly made of engineering plastics as the elastic element and are suitable for connecting two coaxial shafts in the transmission system. They have the function of compensating for the relative offset of the two shafts and buffering, and have a wide range of applications. The torque they can transmit is 20-35000.N.M. I'm sure you have noticed when using it. In fact, its working temperature is -35-80 degrees Celsius, and it can be interchanged with the German ROTEX coupling. The polyurethane elastic body is made into protruding claws, which can avoid internal deformation caused by impact and external deformation caused by centrifugal force. The large concave surface of the protruding claws makes the surface pressure of the involute gear very small. Even if the tooth surface is overloaded, the fixed teeth will not wear or deform. Moreover, it has excellent failure resistance; the star-type coupling is also insensitive to impact loads and pressure peaks; it has high corrosion resistance; low compression deformation; is suitable for harsh working conditions; and is easy to install.  The star-type coupling is currently used as the drum-shaped tooth coupling of the transmission device. It evolved from the ordinary positive gear coupling. The drum-shaped star-type coupling has been applied in many advanced industrial countries abroad. The standard and series products consist of two drum-shaped outer gear sleeves and a pair of straight tooth inner gear rings and other components. During operation, the torque is mainly transmitted through the inner and outer gear pressure plates. The straight tooth inner crown shaft of the drum-shaped outer gear sleeve rotates (referred to as angular acceleration) to compensate for the relative deviation and transmit the two shafts. Especially, the larger the protrusion in the tooth length direction, the greater the angular acceleration, up to 6°. Generally, it is recommended to be 1° to 1.5°, while the old-style star-type coupling only allows 0.5°. From the perspective of tensile strength and penetration ability, in the same working conditions, the torque transmitted by the crown coupling can be increased by 15-20%. It improves the contact state of the outer gear, avoids the disadvantages of being directly squeezed by the straight teeth and stress concentration under angular displacement, and also improves friction and tooth surface wear, reduces noise, and has a long maintenance cycle.
  • 2025.11.22
    Three-coordinate measurement of keyway shape and position tolerance
    The function of using a CMM to detect the geometric tolerances of couplings is mainly reflected in the following aspects: 1. Ensure Product Quality By detecting geometric tolerances such as coaxiality, parallelism, and roundness of couplings, it ensures that their geometric features meet the design requirements, avoiding functional failure of parts due to excessive geometric errors. For example, excessive coaxiality error will cause additional vibration and noise when the coupling transmits power, accelerating equipment wear. 2. Improve Assembly Precision Accurate geometric tolerance detection can provide data support for the assembly of couplings, ensuring the assembly precision between couplings and shafts, bearings and other components, making the mechanical cooperation during equipment operation closer, and reducing the risk of energy loss and component damage caused by assembly clearance. 3. Optimize Production Process Based on the detection results, problems existing in the production process, such as insufficient machine tool precision and wear of tooling fixtures, can be analyzed, so as to optimize processing technology parameters, improve equipment and tooling, and improve production efficiency and product consistency. 4. Support Fault Diagnosis When the equipment has faults such as vibration and abnormal noise, by using a CMM to detect the geometric tolerances of the coupling, it can be judged whether the fault is caused by the geometric error of the coupling, providing a basis for equipment fault diagnosis and maintenance, and shortening the fault troubleshooting time.
Plant Equipment
FACTORY TOUR